產品概述

BQ7A母聯控制器是一種多功能自動化測量、大屏幕LCD顯示為一體的智能母聯自投轉換系統。主要用于自動控制切換帶母線聯絡斷路器的兩路電源的供電系統。產品功能全面:控制模式有母聯備自投(含自投自復和自投不自復)、進線備自投(含一路優先和二路優先),合計四種工作模式。 組成母聯轉換開關的有:BQ7A母聯控制器、框架式空氣斷路器或塑殼斷路器加CD2操作機構等。
產品特點
BQ7A母聯制器的執行部件是框架式空氣斷路器或塑殼斷路器,不需要外接三相過欠壓保護器,不需要加裝適配器,控制器不需要外接控制電源及直流電源,直接對三臺斷路器及電源狀態進行檢測,自動控制完成斷路器的轉換。
技術特性
1.適用于兩路市電、或一路市電一路發電的母聯柜自動轉換控制; 2.時刻監視兩路三相電壓,對出現的電壓異常(如失壓、過壓、欠壓、缺相)做出準確的判斷并輸出控制開關量; 3.功能齊全,可設置各種運行狀態。設有自動/手動狀態切換功能,在手動方式下,可按手動鍵實現開關分合閘;自動狀態下,有進線備自投和母聯備自投。進線備自投狀態下,有一路優先和二路優先兩種;母聯備自投狀態下,有自投自復和自投不自復兩種,合計四種工作模式。 4.大屏幕液晶四行全中文數字顯示兩路相電壓及線電壓和工作狀態,同時LED也會顯示兩路合閘及工作狀態; 5.設有電氣雙重連鎖,始終確保最多只有其中的兩臺斷路器合閘。 6.可在控制器上更改各參數,如:過壓、欠壓、缺相、失壓及延時等,均采用數字化調整(連續可調);同時記憶在內部FLASH 存儲器內,在系統掉電時也不會丟失; 7.兩路N線分離設計。 8.輸入采用光耦隔離,輸出采用光耦繼電器雙重隔離。 9.控制器具有兩路缺相斷電保護,當一路或兩路電源缺相時,自動分斷斷路器,保護負載。 10.控制器控制斷路器,不需要外接供電電源,簡單方便; 11.具有消防切非(強制三分)功能,以滿足緊急情況下的全部分閘。 12.輸入量可接三臺斷路器的輔助常開觸點,輸出為繼電器輸出的無源觸點。 13.具有極強的抗電磁干擾能力,適合在強電磁干擾的復雜環境中使用; 14.控制器可與任何低壓空氣斷路器配套,如DW45、DW17、DW15、ABB Emax、MT、3WL等。 15.模塊化結構設計,阻燃ABS塑料外殼,嵌入式安裝方式,插拔式接線端子,結構緊湊,安裝維護十分方便。
工作條件
1.電源: 交流輸入:取自兩路三相電壓,只要其中一路有電,即可工作,單相電壓>170V。(該系統要求接N) 交流輸入電壓范圍:0-279V(單相)╱0-482V(三相)50Hz 輸入三相電流:0-5A(額定) 2.繼電器輸出容量:5A 220VAC
工作原理
工作模式有:自動/手動。自動有:進線備自投和母聯備自投。其中進線備自投有:一路優先和二路優先;母聯備自投有:自投自復和自投不自復,合計四種工作模式。 1.進線備自投:(以一路優先為例) a.一路電源和二路電源都正常時:2#開關先分,然后1#開關、3#開關閉合。 b.一路電源異常,二路電源正常時:1#開關先分,然后2#開關、3#開關閉合。 c.一路電源正常,二路電源異常時:2#開關先分,然后1#開關、3#開關閉合。 d.一、二路電源都故障,1#開關、2#開關、3#開關都分閘。 2.母聯備自投:(以自投自復為例) a. 一路電源和二路電源都正常時:3#開關先分,然后1#開關、2#開關閉合。 b. 一路電源異常,二路電源正常時:1#開關先分,然后2#開關、3#開關閉合。 c. 一路電源正常,二路電源異常時:2#開關先分,然后1#開關、3#開關閉合。 d. 一、二路電源都故障,1#開關、2#開關、3#開關都分閘。 3.母聯應用圖: 
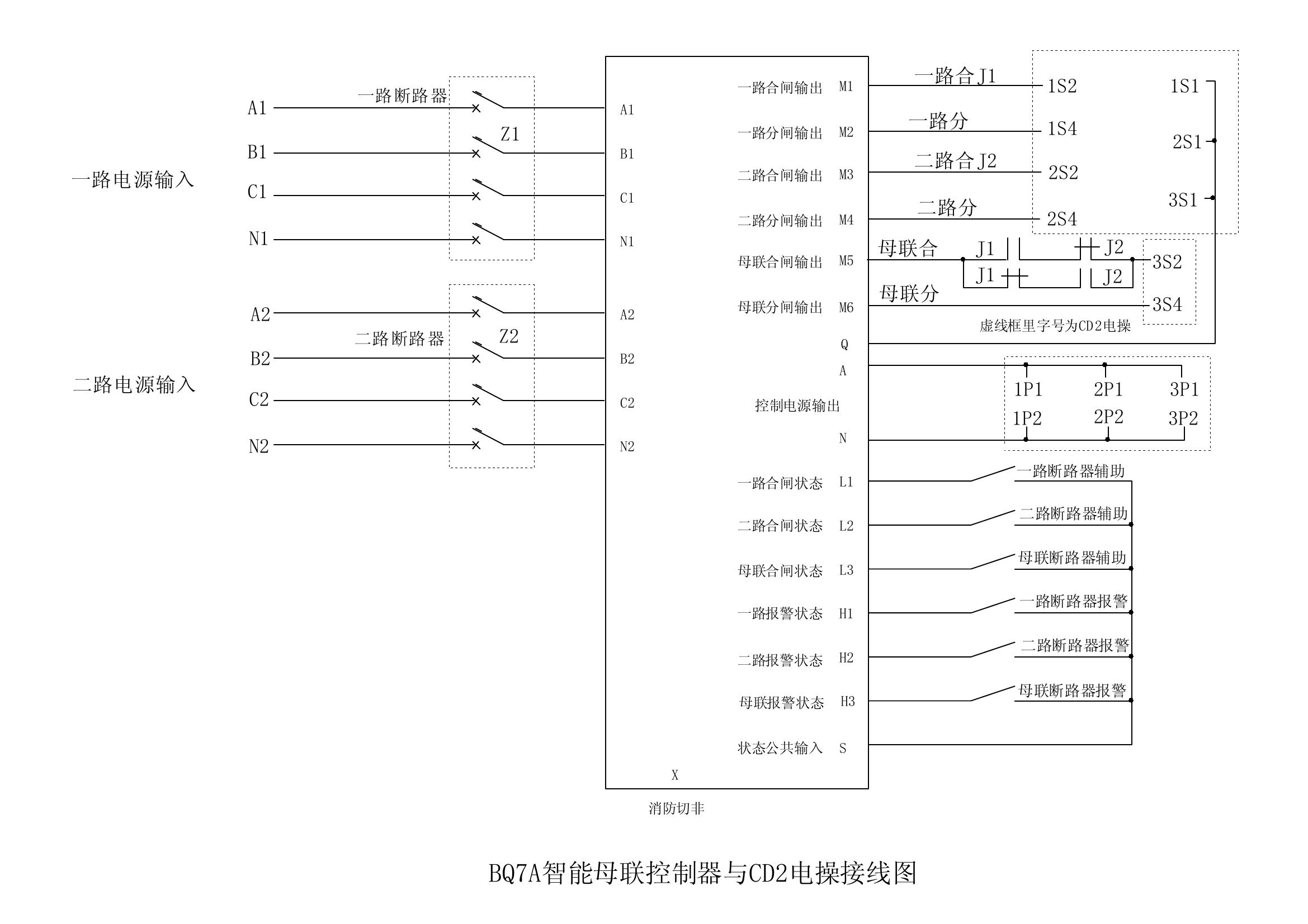
4.母聯接線端子說明: A1,B1,C1,N1:接一路電源 A2,B2,C2,N2:接二路電源 A、N:控制器輸出電源,以上兩路電源只要任何一路有電源輸入,A 、N就有AC220V電源輸出(此電源是控制器輸出電源,方便接斷路器的合分閘線圈及儲能電機) Q:六路輸出繼電器公共無源接點 M1:一路合閘輸出 M2:一路分閘輸出 M3:二路合閘輸出 M4:二路分閘輸出 M5:母聯合閘輸出 M6:母聯分閘輸出 S:三臺斷路器輔助及報警公共接點 L1:控制器一路合閘指示,接一路斷路器輔助常開 L2:控制器二路合閘指示,接二路斷路器輔助常開 L3:控制器母聯合閘指示,接母聯斷路器輔助常開 H1:控制器一路報警指示,接一路斷路器報警常開 H2:控制器二路報警指示,接二路斷路器報警常開 H3:控制器母聯報警指示,接母聯斷路器報警常開 X:消防切非(S與X短路三臺斷路器全部分閘)
尺寸

使用方法
1.裝置開機操作: 控制器一加電即進入開機狀態。 2.故障解除操作: 同時按下“▲”和“▼”鍵復位倒計時后重新復位。 當開關過流脫扣或多次合閘失敗時,控制器自動停止合閘,必須首先進行故障解除操作后方能重新設置回“自動”狀態。 3.“自動”“手動”按鍵按下為“手動”狀態,彈起為“自動”狀態。 4.顯示切換操作: 按“▲”或“▼”鍵進行數字加減。 5.手動合閘、分閘操作: (1) 當控制器設置為手動狀態時,此時液晶屏顯示“手動狀態”,此時按控制器上按鍵從左到右分別為: 一路合閘、一路分閘、二路合閘、二路分閘、母聯合閘、母聯分閘。控制器設置在自動工作狀態時,按合閘及分閘按鍵無效。 (2) 自動合閘、分閘操作: 當控制器設置為自動狀態時,液晶屏會顯示自動工作狀態:如自投自復,自動判斷一路及二路電 源的狀態,自動進行合閘與分閘操作。 (3)控制器的強制三分(消防切非)操作: 在控制器接入電源在狀態下,將控制器接線端子“S”和“X” 短路,自動分斷已經合閘斷路器,實現消防切非。 6.調試方法: 通電之前,檢查配線是否正確(以自投自復為例)。 (1) 確認配線正確后,將控制器置于手動狀態,兩路三相交流電分別接入A1、B1、C1、 N1和A2、B2、C2、N2,此時一路電源和二路電源指示燈亮,其它指示燈不亮。同時液晶屏有顯示,按鍵可以合三臺斷路器其中的兩臺。 (2) 給一路三相交流輸入送電,二路交流輸入不送電,自動/手動置于自動狀態(自投自復), 斷路器QF1延時閉合,母聯斷路器QF3 在斷路器QF1閉合后延時閉合,則兩路用電均由一路 電源提供。此時一路電源、一路合閘、母聯合閘指示燈亮,其它指示燈不亮,否則配線有故障。 (3) 給二路三相交流輸入送電,一路交流輸入不送電,自動/手動置于自動狀態(自投自復),斷路器QF2延時閉合,母聯斷路器QF3 在斷路器QF2閉合后延時閉合,則兩路用電均由二路 電源提供。此時二路電源、二路合閘、母聯合閘指示燈亮,其它指示燈不亮,否則配線有故障。 (4)再將一路交流輸入和二路交流輸入都送電,自動/手動置于自動狀態(自投自復),母聯斷路器QF3先斷開,斷路器QF1、QF2在QF3斷開后延時閉合,則兩路用電均由兩路進線電源提供。此時一路電源、一路合閘、二路電源二路合閘指示燈亮,其它指示燈不亮,否則配線有故障。 (5)將一路缺相,一路電源指示燈不亮,同時QF1斷路器分閘,QF3斷路器在QF1分閘后延時合閘;再將一路合上,二路缺相,QF3斷路器會先分閘,然后QF2斷路器合閘。確認配線正確調試 完后,將接線端子S、X短路,則斷路器QF1 、QF2和母聯斷路器QF3都應斷開。
接線說明
1:由于各種低壓空氣式斷路器型號眾多,我們選取其中幾個有代表性的:國產DW45;ABB EMAX ;施耐德MT;其它型號以此做參照。 2:為了控制器的正常工作,低壓空氣式斷路器接入時必須安裝一些附件: 如合閘電磁鐵,分勵脫扣器。 3:產品出廠前已經過嚴格測試,錯誤的接線及測試試驗將會對控制器造成損壞。    
|